Tech

On this page you'll find technical documents and articles to assist you in tuning you car:

PDF Document BrakeUpgrade.pdf An article on upgrading the Fox Mustang's rear drum brakes to discs
HTML Document Flow_Rates.html A table for converting between different flow rate measurement units
Excel Document EEC_Compare.xls A comparison between different EEC processor strategies
Excel Document CandL_Meters.xls MAF transfer and flow numbers for different C&L mass air sensors
Excel Document Strategies.xls A chart cross referencing EEC strategies with Ford vehicles
Excel Document Load_Matrix.xls A diagram detailing how load numbers are calculated
Excel Document PID.xls A chart for referencing Scan Tool PID's
Image Camshafts.jpg A chart listing Ford camshaft specs
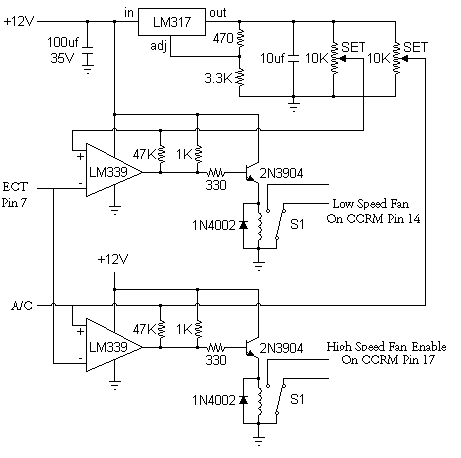
Image TempCtrl.gif A fan controller schematic
Image HeadFlow.gif Flow number comparisons between different 5.0L heads
Excel DocumentSpeed Density.xls Calculated Load based off of Speed Density
Excel DocumentPW Calculation.xls Calculation of Injector Pulse Width
Excel DocumentMPG.xls Calculation of MPGG
Compressed FileFN1360.zip FN1360 patch code for the GUFx strategies
PDF DocumentGetting Started.pdf Binary Editor Getting Started